Features:
- Use ultrasonic sensor to measure distance
- Show level on the big fancy indicator
- Send levels and logs to szambo.tsaryk.com via Wi-Fi
- 24/7 monitoring
- Remote control via internet
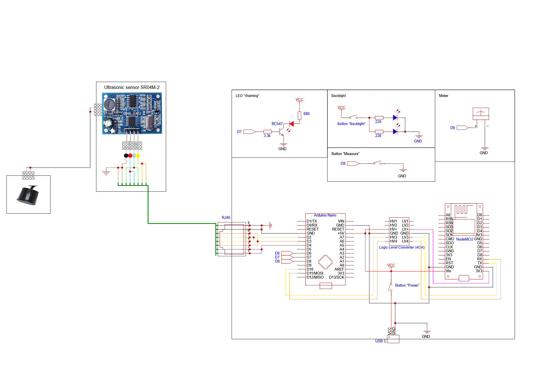
Consists of 2 modules: Arduino Nano and NodeMCU V3.
- Arduino Nano*
- NodeMCU V3*
- Ultrasonic sensor: HC-SR04* or AJ-SR04M*
- Analog meter 0-5V
- Buttons/LEDs/etc
Hosted on: OSHWLab/phts/lvl-1.
| State | LED | Meter | Description |
|---|---|---|---|
| Normal | ______________ (constantly off) |
Actual level | Normally operational device |
| Warning | ************** (constantly on) |
Actual level | Level is reaching the maximum |
| Busy | *______*______ (slowly blinking) |
- Starting up: progress bar (number on % bar)- Busy: not used |
The device is starting up or performing an action |
| Failure | *_*_*_*_*_*_*_ (fast blinking) |
Error code (number on m³ bar) |
Operation failure. See the error code description in the table below |
| Code | Type | Description |
|---|---|---|
| 1 | Fatal | Ultrasonic sensor failure |
| 2 | Temporary | NodeMCU module communication failure |
| 3 | Temporary | Wi-Fi connection failure |
| 4 | Temporary | Unexpected HTTP response |
Fatal— will be indicated constantly until the failure is goneTemporary— will be hidden after 1 minute and back to the previous state


